Language
English
繁中
HOME
ABOUT
NEWS
PRODUCTS
Vehicle Switches & Parts
Ignition Starter Switches(Univeral type & Truck Ignition Starter Switches)
Ignition Starter Switches(For Farm Tractor, Forklift and Excavator)
Ignition Starter Switches(For Snowmobile, Golf Cart and Lawn Mower)
Battery Selectors & Battery Disconnect Switches
Battery Related products(Circuit Breakers)
Battery Related products(Fuse Holders/Blocks)
Battery Related products(Battery Terminals & Terminal Blocks)
Battery Related products(Battery Jump Terminals)
Rotary & Headlight Switches(Rotary & Headlight Switches)
Rotary & Headlight Switches(Headlight Switches for Farm Tractor & Excavator)
Rotary & Headlight Switches(Stop Light Switches)
Rotary & Headlight Switches(Dimmer Switches)
Wiper Switches
Neutral Ball Switches
Horn Switches & Door Jamb Switches
Push Button & Push-Pull Switches
Indicator Lights
Toggle Switches
Rocker Switches
Axle Switches for Eaton
AC Switches
Buzzers & Alarms
Relays & Flashers
Socket & Accessories
Solenoids & Contactors
Racing Car Switches & Panel Set
Caterpillar & Komatsu Switches
Others
Tarp/ Dump System
Marine Switches & Parts
Ignition Starter Switches
Battery Selectors & Battery Disconnect Switches
Battery Related products(Circuit Breakers)
Battery Related products(Fuse Holders/Fuse Blocks)
Battery Related products(Battery Terminals & Terminal Blocks)
Relays
Solenoids & Contactors
Push Button & Push-Pull Switches
Pump Switches & Emergency Cut-Off Switches
Rocker Switches
Panel Sets
Navigation & Interior Lamps
Steering Cables and Control Cables
EDM
CONTACT
PRODUCTS
HOME
PRODUCTS
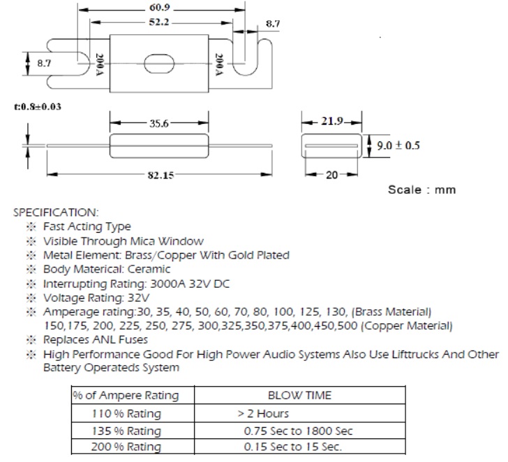
ANL Fuse 1610-01C
Model ID:1610-01C
Fast Acting Type Fuse
Body Material: Ceramic
Voltage Rating: 12-32VDC
Amperage rating: 35-500
PREV
NEXT
Specifications
Product Category
Vehicle Switches & Parts
Ignition Starter Switches(Univeral type & Truck Ignition Starter Switches)
Ignition Starter Switches(For Farm Tractor, Forklift and Excavator)
Ignition Starter Switches(For Snowmobile, Golf Cart and Lawn Mower)
Battery Selectors & Battery Disconnect Switches
Battery Related products(Circuit Breakers)
Battery Related products(Fuse Holders/Blocks)
Battery Related products(Battery Terminals & Terminal Blocks)
Battery Related products(Battery Jump Terminals)
Rotary & Headlight Switches(Rotary & Headlight Switches)
Rotary & Headlight Switches(Headlight Switches for Farm Tractor & Excavator)
Rotary & Headlight Switches(Stop Light Switches)
Rotary & Headlight Switches(Dimmer Switches)
Wiper Switches
Neutral Ball Switches
Horn Switches & Door Jamb Switches
Push Button & Push-Pull Switches
Indicator Lights
Toggle Switches
Rocker Switches
Axle Switches for Eaton
AC Switches
Buzzers & Alarms
Relays & Flashers
Socket & Accessories
Solenoids & Contactors
Racing Car Switches & Panel Set
Caterpillar & Komatsu Switches
Others
Tarp/ Dump System
Marine Switches & Parts
Ignition Starter Switches
Battery Selectors & Battery Disconnect Switches
Battery Related products(Circuit Breakers)
Battery Related products(Fuse Holders/Fuse Blocks)
Battery Related products(Battery Terminals & Terminal Blocks)
Relays
Solenoids & Contactors
Push Button & Push-Pull Switches
Pump Switches & Emergency Cut-Off Switches
Rocker Switches
Panel Sets
Navigation & Interior Lamps
Steering Cables and Control Cables
HOME
ABOUT
NEWS
PRODUCTS
Vehicle Switches & Parts
Ignition Starter Switches(Univeral type & Truck Ignition Starter Switches)
Ignition Starter Switches(For Farm Tractor, Forklift and Excavator)
Ignition Starter Switches(For Snowmobile, Golf Cart and Lawn Mower)
Battery Selectors & Battery Disconnect Switches
Battery Related products(Circuit Breakers)
Battery Related products(Fuse Holders/Blocks)
Battery Related products(Battery Terminals & Terminal Blocks)
Battery Related products(Battery Jump Terminals)
Rotary & Headlight Switches(Rotary & Headlight Switches)
Rotary & Headlight Switches(Headlight Switches for Farm Tractor & Excavator)
Rotary & Headlight Switches(Stop Light Switches)
Rotary & Headlight Switches(Dimmer Switches)
Wiper Switches
Neutral Ball Switches
Horn Switches & Door Jamb Switches
Push Button & Push-Pull Switches
Indicator Lights
Toggle Switches
Rocker Switches
Axle Switches for Eaton
AC Switches
Buzzers & Alarms
Relays & Flashers
Socket & Accessories
Solenoids & Contactors
Racing Car Switches & Panel Set
Caterpillar & Komatsu Switches
Others
Tarp/ Dump System
Marine Switches & Parts
Ignition Starter Switches
Battery Selectors & Battery Disconnect Switches
Battery Related products(Circuit Breakers)
Battery Related products(Fuse Holders/Fuse Blocks)
Battery Related products(Battery Terminals & Terminal Blocks)
Relays
Solenoids & Contactors
Push Button & Push-Pull Switches
Pump Switches & Emergency Cut-Off Switches
Rocker Switches
Panel Sets
Navigation & Interior Lamps
Steering Cables and Control Cables
EDM
CONTACT